國盛機械 > 產品中心 > 給料機設備 >
盤式給料機

盤式給料機

熱銷

【進料粒度】:≤50mm

【生產能力】:≤100m3h

【應用范圍】:適合用于選煤、選礦、燒結、電力、建材等行業中

【產品介紹】:圓盤給料機其實就是一款定量給送設備,它可以將物料均勻的送到下一道設備中,不僅節省了人力勞動,還避免了忽多忽少的給料對設備造成的損壞,在一定程度上延長了整個生產線設備的使用壽命

銷售熱線: 18637334419

盤式給料機

      圓盤給料機其實就是一款定量給送設備,它可以將物料均勻的送到下一道設備中,不僅節省了人力勞動,還避免了忽多忽少的給料對設備造成的損壞,在一定程度上延長了整個生產線設備的使用壽命。從外觀上看,圓盤給料機可以分為BR封閉式和KR敞開式兩種,不管哪種形式的設備,喂送量都比較大,尤其是比較適合輸送那些流動性不好的粉狀物料和非粘性物料,特別適合用于選煤、選礦、燒結、電力、建材等行業中。
 
圓盤給料機

產品特點

1.設備的結構簡單,但是給料量大,能夠較大程度的滿足客戶需要,而且運行特別可靠調節安裝工作也比較的方便。
2.設備內部裝有限矩型液力偶合器能滿載啟動過載保護,并且能夠承受較大的倉壓,是給料工序的首選設備。
3.給料勻速,整個給送過程幾乎不存在物料堆積的現象發生,在給送物料上,除了不易給送粘性物料和流動性好的物料,其它粉狀、粒狀或小顆粒物料均可給送。
4.采用了先進的平面二次包絡環面騾桿減速器設計承載能力大傳動效率高。
5.如果是給送煤炭物料,大給料量可達1200噸/小時。
6.襯板由小塊耐磨鋼板拼成這樣不僅更換時輕便容易而且可以根據實際磨損情況有針對性地更換磨損了的襯板塊從而使材料合理利用降低維修費。
 
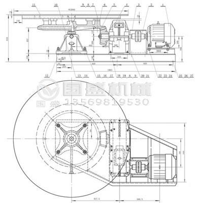
圓盤給料機工作原理

盤式給料機原理

      圓盤給料機的電動機通過皮帶的轉動再帶動減速機運行,使得圓盤勻速的繞一側方向旋轉,物料進入圓盤上的襯板之后,就會跟著圓盤一起轉動,旋轉到一定位置,物料就會被襯板上的刮刀刮出去,進入下一道工序,達到給料的目的。
      圓盤給料機由驅動裝置、給料機本體、計量用帶式輸送機和計量裝置組成,圓盤給料機和皮帶輸送機由一套驅動裝置驅動,該驅動裝置的電磁離合器具有實現給料機的開、停和兼有功能轉換的作用。
 
圓盤給料機型號

技術參數

型號規格 BR1000 BR1500 BR2000 KR1000 KR1500 KR2000
圓盤直徑mm 1000 1500 2000 1000 1500 2000
圓盤轉速r/min 6.3 6.3 4.79 7.5 7.5 7.5
*大物料粒度mm <50 <50 <50 <50 <50 <50
給料能力m³/h 13 30 80 14 25 100
電動機 交流傳動 Y132S-6 Y160M-6 Y160L-6 Y112M-6 Y132M2-6 Y160L-6
3 7.5 11 2.2 5.5 11
380 380 380 380 380 380
940 970 970 940 960 970
直流傳動 Z2-51 Z2-62 Z2-72 Z2-42 Z2-61 Z2-72
3 7.5 13 2.2 3.5 13
220 220 220 220 220 220
250-1000 250-1000 250-1000 250-1000 250-1000 250-1000
減速機 型號 ZS50-3 ZS75-3 ZS-82.5 JZQ350-Ⅲ JZQ400-Ⅲ JZQ500-Ⅲ
速比 63 63 87 31.5 31.5 31.5

注意事項

1、該設備在發貨時,大部分都是整機發貨,所以設備在到達運行現場時,要仔細檢查一番,避免發貨路上有部件被遺漏丟失。
2、在卸貨時,一般會用鋼絲繩吊卸,禁止用鋼絲繩拴住圓盤整機起吊,避免損壞圓盤,要拴住機架的整機起吊卸貨。
3、如果是拆卸式發貨,各個配件在達到運行現場之后,要按照生產廠家提供的附件圖紙尺寸進行安裝,必要時設置地腳螺栓進行緊固設備。
4、安裝時尤其是料倉的中心一定要找準,中心距離的偏差不得超過5毫米,避免影響喂送效果。
5、圓盤下方的槽鋼柱要緊固到位,圓盤必須要水平放置,不得有一丁點的傾斜,偏差值不得大于千分之零點五。
 
BR封閉式圓盤給料機

 
圓盤給料機注意事項

維護保養

1、日常要保證給料圓盤的耐磨襯板緊固牢靠,不得有一絲松動,如果磨損的比較嚴重,要及時更換新的替補,避免出現更大的設備故障問題。
2、潤滑脂是設備各個轉動部位的必要品,要確保潤滑良好,有油杯的部位要保證油量適中,不得有缺油的現象。
3、設備的升降調節裝置是很重要的部件,要完整齊全,稍一不可,調節螺桿要轉動靈活,自如,特別是和槽體的伸縮筒連接處要牢固,不得松動,并且不得有缺口的缺陷。
4、設備長時間的給送物料,難免會對設備的螺旋導料板產生平面磨損,但是磨損間隙不得超過10毫米,一旦超過勢必會影響給料質量效果。
5、導料刮板在設備中起著重要的作用,日常要加強對其保養,與圓盤要緊固連接,如果是帶弧形的導料板,要將弧形耙齒也與圓盤緊固到位, 磨損嚴重有短缺或變形的都要及時更換。
6、在設備的卸料端,會有卸料刮板,在安裝工序中角度的大小要符合工藝要求,與圓盤的平面大間隙不得超過12毫米。
 
圓盤給料機日常保養

客戶案例

2ZM雙筒振動磨機發貨
2ZM雙筒振動磨機發貨

加工物料:石子

生產能力:

設備配置:2ZM雙筒振動磨機

查看詳情
ZZF放礦機制作完畢
ZZF放礦機制作完畢

加工物料:石塊

生產能力:300-750t/h

設備配置:ZZF2.5*1.2

查看詳情
感謝泥漿處理站王經理的
感謝泥漿處理站王經理的

加工物料:泥漿

生產能力:450m3/h

設備配置:YK1850-2P脫水篩

查看詳情
BS500波動篩煤機發貨走起
BS500波動篩煤機發貨走起

加工物料:煤炭

生產能力:≤1500t/h

設備配置:BS500波動篩煤機

查看詳情

推薦產品

?

新鄉市國盛機械設備有限公司 豫ICP備14028944號-2 技術支持新鄉志遠網絡公司 ?地 址:新鄉市長濟高速西出口

.getElementsByTagName("script")[0]; s.parentNode.insertBefore(bp, s); })();
在線咨詢
索要報價
銷售熱線

銷售熱線:18637334419