國盛機械 > 產品中心 > 給料機設備 >
ZDL振動給料斗

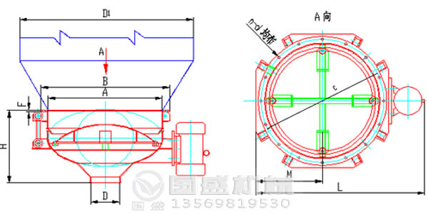
ZDL振動給料斗

熱銷

【進料粒度】:≤100mm

【生產能力】:≤1500t/h

【應用范圍】:適用于鑄型沙、鐵礦石、燒結礦、礦粉、氧化鐵粉、煤粉

【產品介紹】:ZDL振動給料機也叫振動料斗,是一款新型破拱和給料設備,主要是由定向機構、圓形料斗、底座支架、支撐彈簧、料斗和驅動裝置和電磁鐵等部件組成

銷售熱線: 18637334419

振動給料斗

      ZDL振動給料斗是一款新型破拱和給料設備,主要是由定向機構、圓形料斗、底座支架、支撐彈簧、料斗和驅動裝置和電磁鐵等部件組成,圓形料斗內側設計有螺旋上升的卸料槽,設備的定向機構通常情況下會安裝在卸料槽的出口處,通過料斗的不停振動,使得物料活化,均勻送料,防止物料起拱或堵塞料口該設備可以實現完全密封輸送,粉塵不外揚,不污染環境。
 
ZDL振動給料機
 
應用范圍
 
在農業方面:家畜飼料、養料、粉料等。
在建材工業方面:水泥、水泥生料、付料等。
在木材工業方面:木屑、鋸木面、副產品等。
在塑料工業方面:塑料粉、塑料顆粒、磨碎了的片料等。
在環保方面:過濾物、回收物、蘇打灰、飛灰、固定殘渣、廢料等。
在陶瓷工業方面:粘土、陶土、二氧化硅、砂、拋光材料、熟石膏、鋁氧化粉等。
在糧食及食品工業方面:面粉、大豆、花生、淀粉、奶粉、食鹽、砂糖、維生素補品等。
在機械及冶金工業方面:鑄型沙、鐵礦石、燒結礦、礦粉、氧化鐵粉、煤粉、二氧化錳、氧化鋁粉、氧化亞鉛、鋁粉、氧化鈦、鐵合金、非鐵合金添加劑、粘結劑、混合料等。
在軍工及化學工業方面:硫酸銨、硝酸an、高氯酸銨、氯化鉀、固體噴氣燃料、氯化氨、尿素、碳酸氫鈉、硫酸鋇、純堿、滑石、碳黑、活性碳、煤粉、熟石灰、顏料、添加劑等。
 
振動料斗

產品特點

1.由于設備設有定向機構,可以防止物料堵塞、起拱,破拱助流能力強。而且還有給料的作用,連續、均勻、準確,并且不必再安裝料倉閘門。
2.該設備結構簡單,安裝操作簡便,運行平穩可靠,消耗的能量少,所產生的噪音低,對各個配件的磨損比較少,維修方便。
3.密封性好,實現全封閉給料,無需局部防塵或防毒。
 
振動料倉
 
4.安裝高度低,可取代料倉錐體或部分錐體,不需要基礎和附加裝置。
5.較大的優勢就是設有電器控制系統,在停機時所產生的慣性小,無沖擊力。
6.倉內物料排出過程無顆粒度離析現象。
 
料斗振動器

工作原理

      ZDL振動給料斗是用螺栓固定在儲料倉下部,料斗內裝有球面活化器,它將水平方向的激振力分解為沿球面法線方向和切線方向的分力。法線方向沿放射方向傳遞到物料深處,從而破壞了料倉內的垂直料拱,促使活化器上部的物料從中心向四周快速移動,再沿倉壁下滑,實現物料的整體流動,從出料口均勻排出。
 
振動給料機工作原理
 
      振動料斗外側安裝有振動電機,它是振動料斗的激振源,當電磁鐵線圈中通入電流后,設備的料盤被會被帶動 作小振幅高頻率的上下往復式振動并通過傾斜安裝的支承彈簧同時產生微振幅往返扭振,振動斗由橡膠減振裝置吊裝在固定斗下部,固定斗與振動料斗之間的縫隙用橡膠圈密封著,電機啟動后,產生慣性激振力,使振動料斗內的球面活化器產生強烈的水平振動,從而完成給料目的。
      設備在運行中,可以通過調整激振力的大小和電磁鐵線圈的輸入電壓,可以有效改變設備的喂送量。
 
振動給料機頻率

振動料斗型號參數

型號 振動斗直徑A 相配料倉直徑Φ(M) 參考流量 電機功率KW 外形尺寸 法蘭外徑C 安裝尺寸 重量(kg) 激振力范圍(kg) 出料口D
生料(t/h) 水泥(t/h) 長L 高H 法蘭盤直徑B 孔數n 孔徑d
GZD04 400 0.4-0.8 4-7 6-13 0.15 670 295 490 450 12 14 50 0-150 120
GZD06 600 0.6-1.2 7-13 8-20 0.2 900 396 710 660 16 14 100 0-250 150
GZD08 800 0.8-1.6 15-30 35-50 0.5 1120 530 930 880 16 20 180 0-500 200
GZD10 1000 1.0-2.0 20-50 50-80 0.75 1305 635 1130 1080 16 20 300 0-1000 250
GZD12 1200 1.2-2.4 30-100 1.10 1680 730 1330 1280 16 20 450 0-1500 250
GZD15 1500 1.5-3.0 40-120 1.50 2080 930 1660 1590 24 24 650 0-2000 300
GZD20 2000 2.0-4.0 60-160 1.50 2420 1055 2200 2120 36 24 1200 0-3000 400

常見故障

1.振動料斗的固定法蘭與斗體間密封處漏料。
      原因可能為密封圈和密封帆布損壞或扎緊不可靠。更換密封圈和密封帆布,扎緊扎緊帶。
2.振動料斗運行噪音異常。
      應立即檢查并緊固振動電機安裝螺栓和其它緊固件螺栓;振動料斗與四周設備有接觸和磕碰現象,調整料斗斗體的安裝,保證料斗斗體與四周設備和物體之間間隙不小于50mm。
3.投料試運行不能滿足產量需求。
      原因可能為振動電機激振力偏小,物料濕度過大、粘接影響物料的流動速度。打開振動電機端罩,調整偏心塊夾角,增加振動電機的激振力,并保證振動電機兩端激振力一致;減小球形頂板的尺寸,增大物料流動通道面積。
 
振動給料機常見故障

 
示意圖

 
振動料斗示意圖


振動料倉示意圖

安裝流程

      首先,先把固定斗用螺栓固定在儲料倉下部的法蘭上,再將振動料斗用減振裝置吊掛在固定斗下方。固定斗下平面和振動料斗上平面之間的縫隙用橡膠套密封。注意振動料斗出料口和受料口間須留10-20mm間隙。 
      其次,調整減振裝置的位置,使振動斗上平面與固定斗下平面平行,間隙10-30mm;振動料斗有三種不同直徑的活化器,根據物料性質和粒度來選擇合適的活化器,并用螺栓緊固在振動斗的支承架上。
 
振動料斗安裝流程
 
      *后,調節振動電機激振力,使給料量達到要求,可配變頻控制箱,以實現給料量的手動和自動控制。
      試機運轉后,應及時檢查電機底腳螺栓、減振裝置等參振部分螺栓是否松動。
      正式投產后,需定時檢查,發現有松動情況要及時處理。給料機料斗安裝得當,方能確保振動料斗的良好運作。
 
振動料倉法蘭

客戶案例

BS500波動篩煤機發貨走起
BS500波動篩煤機發貨走起

加工物料:煤炭

生產能力:≤1500t/h

設備配置:BS500波動篩煤機

查看詳情
ZZF放礦機制作完畢
ZZF放礦機制作完畢

加工物料:石塊

生產能力:300-750t/h

設備配置:ZZF2.5*1.2

查看詳情
2ZM雙筒振動磨機發貨
2ZM雙筒振動磨機發貨

加工物料:石子

生產能力:

設備配置:2ZM雙筒振動磨機

查看詳情
感謝泥漿處理站王經理的
感謝泥漿處理站王經理的

加工物料:泥漿

生產能力:450m3/h

設備配置:YK1850-2P脫水篩

查看詳情

推薦產品

?

新鄉市國盛機械設備有限公司 豫ICP備14028944號-2 技術支持新鄉志遠網絡公司 ?地 址:新鄉市長濟高速西出口

.getElementsByTagName("script")[0]; s.parentNode.insertBefore(bp, s); })();
在線咨詢
索要報價
銷售熱線

銷售熱線:18637334419